微空间铆螺母 BF-U,UL,FE,FEX,FEO,FEOX

BF自扣紧紧固件——螺母系列:
BF微型螺母(U,UL,FE,FEO,FEX,FEOX)
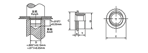
占微小空间的高强度螺母,FE、FEO、UL是自锁螺母,FE、FEO抗扭转符合美国军工25027标准要求。坚强的环齿锁深压入板内,使螺母与板成为一体产生强大的抗扭转性能,填满后的凹槽产生强的抗拉出力。螺母表面涂有干燥光滑的润滑膜,保持其长期的稳定性。使用时,最少拧进2圈才能拉紧。
 公制计量 单位:mm
统一标准 |
螺纹尺寸×螺母 |
类型 |
螺纹编码 |
底纹代码 |
A Max |
最小板厚(1) |
板上孔的尺寸 +0.08 |
C -0.13 |
T +0.4 |
质量Kg./K |
孔距C/L边缘的最短距离 |
附加件的最大孔径 |
|
非锁紧 |
自锁紧 |
|
M2×0.4 |
U |
UL |
M2NS |
1 |
0.76 |
0.76-0.91 |
3.61 |
3.6 |
1.65 |
0.08 |
2.8 |
2.5 |
|
M3×0.5 |
FEOX |
FEO |
M3 |
(4) |
1.02 |
0.99-1.14 |
4.39 |
4.37 |
1.9 |
0.13 |
3.6 |
3.5 |
|
FEX |
FE |
1.53 |
1.5-1.78 |
0.17 |
|
M4×0.7 |
FEOX |
FEO |
M4 |
(4) |
1.02 |
0.99-1.14 |
7.39 |
7.37 |
2.55 |
0.5 |
5.2 |
4.5 |
|
FEX |
FE |
1.53 |
1.5-1.78 |
0.54 |
|
M5×0.8 |
FEOX |
FEO |
M5 |
(4) |
1.02 |
0.99-1.14 |
7.39 |
7.37 |
3.05 |
0.55 |
5.2 |
5.5 |
|
FEX |
FE |
1.53 |
1.5-1.78 |
0.59 |
|
M6×1 |
FEX |
FE |
M6NS |
(4) |
1.53 |
1.5-1.78 |
8.74 |
8.72 |
3.3 |
0.95 |
7.1 |
6.5 | 英制计量单位:英寸
统一标准 |
螺纹尺寸 |
类型 |
螺纹编码 |
底纹代码 |
A Max. |
最小板厚(1) |
板上孔的尺寸 +.003/-.000 |
C +.000/-.005 |
D Max. |
T +.015/-.000 |
质量Kg./K |
孔距C/L边缘的最短距离 |
附加件的最大孔径 |
|
非锁紧 |
自锁紧 |
|
.060-80(#0-80) |
U |
UL |
080NS |
0 |
.020 |
.019-.022 |
.110 |
.1095 |
. 076 |
.050 |
.068 |
. 09 |
. 080 |
|
.073-64(#1-64) |
U |
UL |
164NS |
0 |
.020 |
.019-.022 |
.110 |
.1095 |
.090 |
.050 |
.070 |
. 09 |
. 093 |
|
.086-56(#2-56) |
U |
UL |
256 |
0 |
.020 |
.019-.022 |
.144 |
.1435 |
.106 |
.065 |
.125 |
.11 |
.106 |
|
1 |
.031 |
.030-.036 |
.184 |
|
.112-40(#4-40) |
FEOX |
FEO |
440 |
(4) |
.040 |
.039-.045 |
.172 |
.171 |
.145 |
.065 |
. 31 |
.14 |
. 132 |
|
FEX |
FE |
.060 |
.059-.070 |
. 37 |
|
.138-32(#6-32) |
FEOX |
FEO |
632 |
(4) |
.040 |
.039-.045 |
.213 |
.212 |
.180 |
.075 |
.47 |
.17 |
. 158 |
|
FEX |
FE |
.060 |
.059-.070 |
.68 |
|
.164-32(#8-32) |
FEOX |
FEO |
832 |
(4) |
.040 |
.039-.045 |
.290 |
.289 |
.215 |
.090 |
. 98 |
. 20 |
. 184 |
|
FEX |
FE |
.060 |
.059-.070 |
1.24 |
|
.190-32(#10-32) |
FEOX |
FEO |
032 |
(4) |
.040 |
.039-.045 |
.290 |
.289 |
.245 |
.110 |
1.04 |
. 20 |
. 210 |
|
FEX |
FE |
.060 |
.059-.070 |
1.20 |
|
1/4 -20 |
FEOX |
FE |
0420 |
(4) |
.060 |
.059-.070 |
. 344 |
. 343 |
.318 |
.120 |
2.08 |
. 20 |
. 270 |
|
1/4 -28 |
FEXNS |
0428 |
1.58 | 上一个产品 下一个产品返回 >>
|